配件供应中心柴油机柴油发电机珀金斯配件K656CF02燃料过滤器T4.20_珀金斯发动机配件_配件供应中心_产品中心_厦门永新昌机械设备有限公司
柴油机柴油发电机珀金斯配件K656CF02燃料过滤器T4.20

柴油机柴油发电机珀金斯配件K656CF02燃料过滤器T4.20_珀金斯发动机配件_配件供应中心_产品中心_厦门永新昌机械设备有限公司

当前分类:配件供应中心关键词
产品信息

柴油机柴油发电机组卡特彼勒珀金斯配件K656CF02燃料过滤器 T4.20

项目 零配件号码 最近的部分号码

1 K656CF02 1 K656CF02 燃料过滤器总成

7 3825 T014 1 3825 T014 托架

8 2314 J003 2 2314 J003 螺旋

10 2318 A604 2 2318 A604 螺帽

4 1 ELEMENT

5 26439031 1 26439031 SEAL - O RING

6 26439030 1 26439030 SEAL - O RING

柴油机柴油发电机珀金斯配件K656CF02燃料过滤器T4.20

Item Parts No. Qty. Latest Part No. Description Cut Out Cut In Comment

1 4122C023 1 4122C023 FUEL PIPE

5 33225414 1 33225414 NUT

6 33811114 1 33811114 OLIVE

7 0201500 1 0201500 CONNECTION

8 0095031 1 0095031 BOLT

9 2411156 1 2411156 WASHER

10 2411156 1 2411156 WASHER

11 3443E004 1 3443E004 FUEL PIPE

12 33225414 1 33225414 NUT

13 33811114 1 33811114 OLIVE

14 0201500 1 0201500 CONNECTION

15 0095031 1 0095031 BOLT

16 2411156 1 2411156 WASHER

17 2411156 1 2411156 WASHER

18 33225414 1 33225414 NUT

19 33811114 1 33811114 OLIVE

20 0201502 1 0201502 UNION

21 2411154 1 2411154 WASHER

22 K481FF01 1 K481FF01 CLIP

27 3786A006 1 3786A006 BRACKET

柴油机柴油发电机珀金斯配件K656CF02燃料过滤器T4.20

珀金斯柴油发电机组柴油机电子控制模块系统 T4.20

项目 零配件号码 最近的部分号码

1 2666 A011 4 2666 A011 GLOWPLUG

2 M172EF02 3 M172EF02 缆

3 2318 A601 4 2318 A601 螺帽

柴油机柴油发电机珀金斯配件K656CF02燃料过滤器T4.20

项目 零配件号码 最近的部分号码

2 2848 A042 1 2848 A042 油压开关

3 2431131 1 2431131 栓塞

柴油机柴油发电机珀金斯配件K656CF02燃料过滤器T4.20

项目 零配件号码 最近的部分号码

4 2848 A106 1 2848 A106 水温度开关

5 2411156 1 2411156 垫圈

6 2755 A007 1 2755 A007 水温度感应器

7 2411156 1 2411156 垫圈

柴油机柴油发电机珀金斯配件K656CF02燃料过滤器T4.20

项目 零配件号码 最近的部分号码

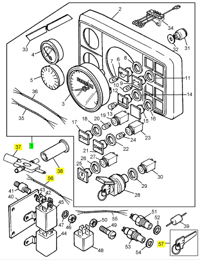
1 4171 A025 1 4171 A025 嵌板

37 21825186 1 21825186 工具

38 21825187 1 21825187 工具

56 4172 V019 1 4172 V021 线束

57 27550019 1 27550019 点火键

柴油机柴油发电机珀金斯配件K656CF02燃料过滤器T4.20

项目 零配件号码 最近的部分号码

2 2755 F021 1 2755 F021 嵌板

3 2755 F051 1 2755 F051 转速计

4 2755 F031 1 2755 F031 温度规

5 2755 F041 1 2755 F041 警报

6 2755 F101 1 2755 F101 灯

9 2755 F111 1 2755 F111 灯

12 2755 F121 1 2755 F121 灯

15 2755 F131 1 2755 F131 堵塞盖

17 2755 F071 1 2755 F071 接触

19 2755 F142 1 2755 F142 开关

21 2755 F081 1 2755 F081 接触

23 2755 F142 1 2755 F142 开关

25 2755 F091 1 2755 F091 接触

27 2755 F141 1 2755 F141 开关

28 2755 F061 1 2755 F061 锁

30 2755 F141 1 2755 F141 开关

31 2755 F202 8 2755 F202 螺帽

32 2755 F203 8 2755 F203 垫圈

33 2755 F205 1 2755 F205 密封

34 2880 A004 1 2880 A004 嵌板

34 3161 C002 1 3161 C002 嵌板

35 4172 V012 1 4172 V012 线束

35 4172 V022 1 4172 V022 线束

36 4172 P004 1 4172 P004 线束

7 27550016 1 27550016 BULB

8 2755F201 1 2755F201 RING

柴油机柴油发电机珀金斯配件K656CF02燃料过滤器T4.20

Item Parts No. Qty. Latest Part No. Description Cut Out Cut In Comment

10 3684U003 1 3684U003 STRIP

11 PF65133 1 4173A001 FUSE

12 2163745 2 2163745 SCREW

13 2131109 2 2131109 WASHER

14 2168519 2 2168519 NUT

15 0920052 2 0920052 WASHER

柴油机柴油发电机珀金斯配件K656CF02燃料过滤器T4.20

购买配件须知:

1、购买前请确认零部件型号、技术参数、编码、适用机型。因批次不同或存在零部件差异,请以实物为准。

2、为选购正确的零部件,可以通过对比现场零部件和本网站所展示的是否一致,来确保购买到准确的零部件。

3、本网站目前暂未上架全部机型的零部件,如在网站中未查询到的零部件,可在网站留言说明,或拨打免费电话0592-5806900咨询。